常用单片机简介
点击浏览芯片信息
点击浏览芯片信息
点击浏览芯片信息
当前位置>>中源单片机>>无线电园地     设为首页  加入收藏  
TOP853编程器
TOP853编程器简介
    TOP853型编程器具有体积小巧,功耗低,可靠性高的特点,是专为开发51系列单片机和烧写各类存储器而设计的通用机型。

    TOp853采用USB通用串行口与PC机连接通信,传输速率高,抗干扰性能好,可靠性极高,切无需外接电源,特别适合电池供电的笔记本电脑外出使用。
     MC3335窄带调频接收电路
深圳市凌雁电子有限公司


     MC3335是美国MOTOROLA公司生产的单片窄带调频接收电路,主要应用于语音通讯的无线接收机。片内包含振荡电路、混频电路、限幅放大器、积分鉴频器、场强指示驱动电路、载频检测电路等从天线输入到音频输出的二次变频所有的全部电路,同样包含了混频用一本振缓冲输出,FSK检波数据限幅比较器。具有低供电电压、低功耗、极高灵敏度和信噪比,广泛应用于语音和数字通讯的接收设备。其主要特性如下:

     二次变频所有的全部电路
     工作电压:2.0——6.0V
     低功耗(在Vcc=6.0V,耗电典型值仅为3.6mA)
     极限灵敏度:0.7uV(-3bB)(典型值)

MC3335引脚图

     可选择可调载频检测电路
     独立的数据整形输出电路
     数据传输速率达35000波特
     60dB的RSSI范围
     少量的外接元件
     采用MOTOROLA公司的“MOSAIC”技术制造
     DIP20和SO-20两种封装形式
     MC13135为新推出的首选型号
       MC33357外形

     MC3335窄带调频接收电路工作原理:

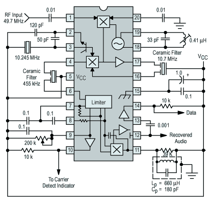
    MC3335的内部振荡电路与Pin18和Pin19的外接元件组成第一本振级,载频RF输入信号从MC3335的Pin1输入,在内部第一混频级进行混频,其差频10.7MHz第一中频信号由Pin17输出,经10.7陶瓷滤波器选频后由pin16送到内部的第二混频电路。内部的振荡电路及Pin2和Pin3的外接晶体和电容构成了第二本振级,10.7MHz第一中频信号与第二本振频率进行混频,其差频为:10.700-10.245=0.455MHz,也即455kHz第二中频信号。

    第二中频信号由Pin4输出,由455kHz陶瓷滤波器选频,再经Pin6送入MC3335的限幅放大器进行高增益放大,限幅放大级是整个电路的主要增益级。Pin11的外接元件组成455kHz鉴频谐振回路,经放大后的第二中频信号在内部进行鉴频解调,并经一级音频电压放大后由Pin12输出音频信号。
       MC33357外形


    Pin9和Pin10为场强指示驱动电路的外接元件端,调整Pin9的200k电阻可改变场强指示驱动电路的增益。MC3335内部还置有一级数据信号放大级,Pin13为输入端,Pin14为输出端。Pin7和Pin8为第二中放级的退耦电容。
MC3335应用电路

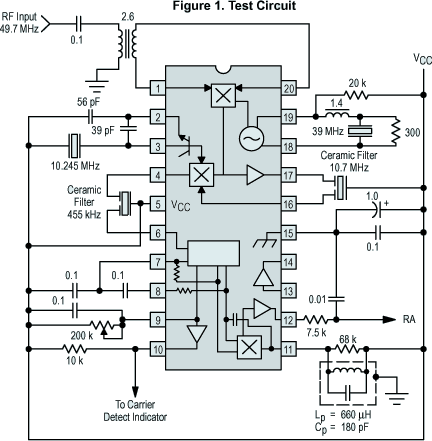
     MC3335测试电路


MC3335测试电路

MC3335的极限参数(Ta=25℃)
名称 引脚位置 标识符 极限值 单位
电源电压 5 Vcc(max) 7.0 V(DC)
工作电压范围 5 Vcc 2.0—6.0 V(DC)
输入电压 1,20 V1—20 1.0 VRMS
焊接温度 - Tj 150
工作周围温度范围 - TA -40—+85
储藏温度 - Tstg -65—+150

     数据手册  MC3335 数据手册[datasheet]