|
|
|
|
| TOP851编程器简介 |
TOP851型编程器具有体积小巧,功耗低,可靠性高的特点,是专为开发51系列单片机和烧写各类存储器而设计的普及机型。
TOp851采用RS232串口与PC机连接通信,抗干扰性能好,可靠性极高,特别适合烧写各类一次性(OTP)和电擦除器件。 | |
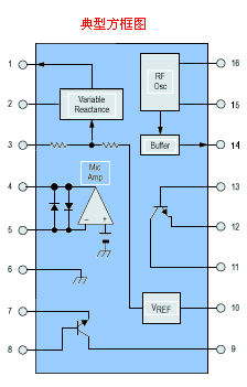
〇 2.8—9.0V宽范围的工作电压
〇 低功耗电流(典型值为2.9mA)
〇 只需少量的外围元器件
〇 60MHz频率具有-30dB直接功率输出
〇 使用片内放大晶体管输出功率可达+10dBm的输出功率
〇 可以接入FCC、DOT、PTT等射频电路
|
 |
MC2833的极限参数
|
| MC2833的极限参数(Ta=25℃ Vcc=4.0V) |
| 名称 |
标识符 |
极限值 |
单位 |
| 电源电压 |
Vcc |
10 |
V(DC) |
| 工作电压范围 |
Vcc |
2.8—9.0 |
V(DC) |
| 最高结温 |
TJ |
+150 |
℃ |
| 环境温度 |
TA |
-30-75 |
℃ |
| 储藏温度 |
Tstg |
-65—+150 |
℃ |
|