常用单片机简介
点击浏览芯片信息
点击浏览芯片信息
点击浏览芯片信息
当前位置>>中源单片机>>无线电园地     设为首页  加入收藏  
ME-52单片机仿真开发系统
    ME-52单片机仿真开发系统简介
     实时仿真频率高达33MHz,仿真器提供2—24MHz的时钟信号。
     仿真器提供64K程序代码存储器,支持仿真所有程序和数据地址空间。
     支持8xC51、8xC52、8xC54、8xC58、89C1051/2051/4051。
     提供分辨率达一个字节的程序存储器映像设置。
     64k硬件程序地址断点和程序地址计数断点。
     外部信号断点。
     深度为16k Frame,可记录5个外部信号的跟踪存储器
     MC3357窄带调频接收电路
深圳市凌雁电子有限公司


     MC3357是美国MOTOROLA公司生产的单片窄带调频接收电路,主要应用于语音通讯的无线接收机。片内包含振荡电路、混频电路、限幅放大器、积分鉴频器、滤波器、抑制器、扫描控制器及静噪开关电路。主要应用在二次变频的通讯接收设备。其主要特性如下:

     低功耗(在Vcc=6.0V,耗电典型值仅为3.0mA)
     极限灵敏度:5.0uV(-3bB)(典型值)
     少量的外接元件
     DIP16和SO-16两种封装形式
     推荐使用性能更优越的MC3372接收电路

MC3357引脚图
       MC33357外形


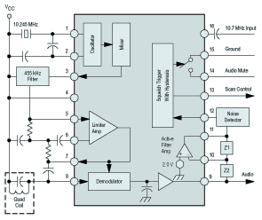
     MC3357单片窄带调频接收电路典型应用方框图

MC33357典型应用电路
MC33357测试电路      MC3357测试电路图

     MC3357单片窄带调频接收电路工作原理:

    MC3357的内部振荡电路与Pin1和Pin2的外接元件组成第二本振级,第一中频IF输入信号10.7MHz从MC3357的Pin16输入,在内部第二混频级进行混频,其差频为:10.700-10.245=0.455MHz,也即455kHz第二中频信号。

    第二中频信号由Pin3输出,由455kHz陶瓷滤波器选频,再经Pin5送入MC3357的限幅放大器进行高增益放大,限幅放大级是整个电路的主要增益级。Pin8的外接元件组成455kHz鉴频谐振回路,经放大后的第二中频信号在内部进行鉴频解调,并经一级音频电压放大后由Pin9输出音频信号。

    Pin12——Pin15为载频检测和电子开关电路,通过外接少量的元件即可构成载频检测电路,用于调频接收机的静噪控制。MC3357内部还置有一级滤波信号放大级,加上少量的外接元件可组成有源选频电路,为载频检测电路提供信号,该滤波器Pin10为输入端,Pin11为输出端。Pin6和Pin7为第二中放级的退耦电容。

     MC3357的极限参数

MC3357的极限参数(Ta=25℃)
名称 引脚位置 标识符 极限值 单位
电源电压 4 Vcc(max) 12 V(DC)
工作电压范围 4 Vcc 4—8 V(DC)
检波输入电压 8 - 1.0 Vp-p
输入电压 16 V16 1.0 VRMS
静噪功能 14 V14 -0.5—5.0 Vpk
焊接温度 - Tj 150
工作周围温度范围 - TA -30—+70
储藏温度 - Tstg -65—+150



     数据手册  MC3357数据手册[datasheet]